
产品优势
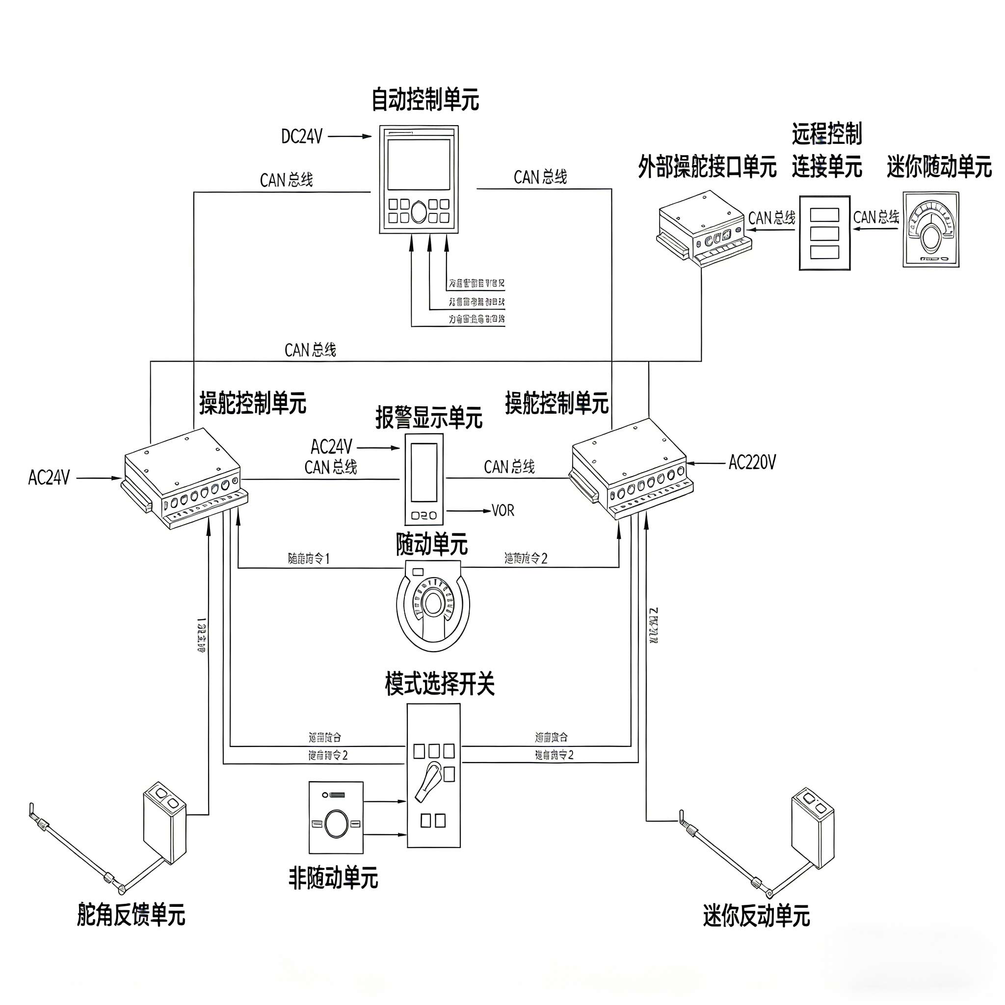
ㆍ全数字化,操作便捷: 全数字化接口符合行业标准,可与船舶各类设备无缝对接;7英寸彩屏搭配实体按键,操作直观,支持多种自动控制功能,减轻船员负担。
ㆍ安装维护,便捷高效: 独创标定技术简化安装流程,模块独立封装便于检修;可与HLD-VDR600联动实现远程维护,结合故障诊断与报警记录,大幅降低运维成本。
ㆍ智能便捷,助力操舵: 智能报警可记录100条历史故障并附带修复指南,2小时航向数据记录助力科学操舵;支持越控功能,应对突发航行场景,提升灵活性。
ㆍ合规达标,适配全球: 通过CCS、DNV-GL等多项权威认可,符合国内外行业标准,可满足全球不同航线、不同地区的船舶使用需求,避免合规风险。
ㆍ远程控制: 可增设多个远程控制站,通过远程连接单元实现多位置控制切换。
ㆍ权威认证: DNV‑GL、俄罗斯船级社(RS)、中国船级社(CCS)、欧盟 MED(B+D)等多国船级社型式认证,全球通行。

| 产品参数 | |
产品型号 | HLD-SC 600 |
系统类型 | 全数字化操舵控制系统 |
认可资质 | 中国船级社(CCS)型式认可、DNV-GL 型式认可、欧盟(EC)MED(B+D)认可 |
控制方式 | 手动操舵、随动操舵、自动操舵、越控操舵、远程操舵 |
适配船型 | 集装箱船、公务船、大型散货船、海洋工程拖船、小型渔船等各类船舶 |
供电电压 | 交流:220/380/440V AC;直流:24V DC(18~36V DC,适配电压波动范围) |
系统功耗 | ≤40W |
信号输入 | NMEA 语句(HDT、HDG、THS、VTG、VHW、VBW),支持电罗经、磁罗经、计程仪信号输入 |
信号输出 | 触点输出(110V DC ~ 0.5A,24V DC ~ 2.0A);电压输出(±10V DC ~ 最大5mA);NMEA 语句(HTD、RSA、ALR),支持向VDR输出系统状态信息 |
| 通信接口 | 全数字化接口(符合IEC 61162-1标准),支持CAN总线通信,配备与VDR(船载航行数据记录仪)的专用接口 |
| 航向源输入 | 支持2路航向源输入,保障航向信号的冗余备份,提升系统可靠性 |
